一、NGW-QJ型行星齒輪減速機概述
NGW-QJ型行星齒輪減速器是在參照NGW型行星齒輪減速器的基礎上設計成的一種專用減速器。它不僅保留了原NGW標準(JB1799-76)的主要優點而且適用于安裝在與水平線傾斜的狀態下直接傳遞徑向負荷的場合。該減速器主要用在水泥機械球磨機的主傳動減速裝置上。也可用作其他相類似的傳動裝置。
如下特點
(1)該減速器具有體積小、重量輕、承載能力高、使用壽命長、運轉平穩、低噪音等優點,而且輸入輸出軸端均能承受較大的徑向負荷;
(2)工作環境溫度:-40~45℃;
(3)輸入轉速:≤1500r/min;
(4)傳動效率:n=0.94~0.96;
(5)工作傾斜角度45°~55°;
(6)可正反運轉;
(7)壽命:不低于35000~40000h;
(8)工況:連續型;
(9)潤滑:備有自身循環潤滑系統。
二、技術參數及承載能力

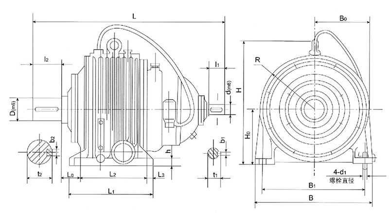
三、外形及安裝尺寸

