一、RF 法蘭安裝斜齒輪減速機產品特性
國際先進的傳動裝置,機電一體化的齒輪減速電機已廣泛應用于各個領域。太興隆憑借強大的設計動力,引入全新的設計理念,以模塊組合體系為基礎,研究開發了模塊組合減速電機。
模塊組合允許減速器與下列部件組合:
1)與交流鼠籠電動機組合;
2)與交流鼠籠隔爆電動機組合;
3)與制動電動機組合;
4)與單向旋轉電動機組合;
5)與伺服電動機組合;
6)可提供不帶電動機的輸入軸聯接的減速器,或提供輸入端敞開的減速器,由客戶隨意組合。
R系列斜齒輪減速電機。齒輪采用優質合金鋼材料,表面硬化處理,經過高精度設備加工成形。鑄鐵箱體確保剛性強度,經精密加工,確保形狀與位置精度。具有承載能力強、壽命長、體積小、速比大、重量輕、效率高、噪聲低等優越性能。
R系列解齒輪減速電機,兩個斜齒輪減速箱和電機可組合成多級減速。輸出部分亦可設計成加長軸承第,形成攪揮型減速器。斜齒輪減速電機均可臥式或法蘭安裝。R系列解齒輪減速電機除能獨立應用外其RF無底腳法蘭安裝。
R系列斜齒輪減速電機除能獨立應用外,其RF無底腳法蘭安裝斜齒輪減速電機亦可與P系列平行軸斜齒輪減速機,K系列斜齒輪-傘齒輪減速電機、S系列斜齒輪-線輪蝸桿減速電機組成多級減速電機以獲得特別低的輸出速度。
電機為F級絕緣,IP54防護,380伏,50赫茲三相異步電動機,適合在周圖環境溫度-10℃~+40℃。海拔高度1000m條件下運行,如超出以上使用條件,請與我公司取得聯系。
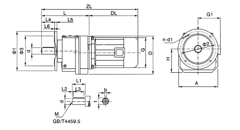
二、外形及安裝尺寸

三、規格參數

